公司动态

了解最新公司动态及行业资讯

混合土壤破碎机_土壤破碎混合机设备

2017-10-10 01:33:23 158 编辑:admin 来源:本站
    传统的用于路面工程的土壤破碎机通常包括破碎腔、安装在破碎腔内的刀辊和驱动刀辊的动力装置,刀辊上安装有破碎刀头,通常破碎刀头通过一根刀排焊接固定在刀辊上,其强度较低,无法适应高速破碎的要求,工作效率较低。
    本实用新型所要解决的技术问题是,提供一种结构简单、刀头安装强度高、破碎效率高的混合土壤破碎机
    1、技术原理:
    本实用新型的混合土壤破碎机包括有破碎腔、安装在破碎腔内的刀辊和驱动刀辊的动力装置,刀辊上安装有多个破碎刀头,每一个破碎刀头通过两根刀排与刀辊连接,两根刀排呈“倒V型”结构,刀排通过分开的两脚焊接在刀辊上,刀头焊接在两个刀排相交汇的尖端。
    所述刀头在刀辊的圆周上呈十字形分布。
    2、优点:
    本实用新型结构简单,其通过倒V型结构的双刀排固定刀头,使得刀头的安装强度大大提高,能够适应高速破碎的要求,提高了破碎效率。
    3、附图说明
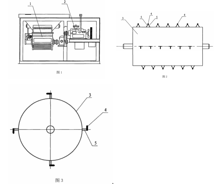
  混合土壤破碎机的结构示意图
    图1是本实用新型混合土壤破碎机的结构示意图。
    图2是刀辊结构示意图;
    图3是刀辊的端面结构示意图。
    4、具体实施方式
    如图l所示,该混合土壤破碎机包括有破碎腔l、安装在破碎腔内的刀辊和驱动刀辊的动力装置2。
    如图2所示,刀辊3上安装有多个破碎刀头4,每一个破碎刀头通过两根刀排5与刀辊连接,两根刀排5呈“倒V型”结构,刀排通过分开的两脚焊接在刀辊上,刀头4焊接在两个刀排相交汇的尖端。
    如图3所示,刀头4在刀辊3的圆周上呈十字形分布。

30

装备制造经验

立即免费获取土壤修复方案

为用户提供及时、高效、便捷的服务

在线咨询
尊龙凯时环境希望与你携手,共创美好未来...
5